100X不锈钢遥控浮球阀由主阀、针阀、球阀、浮球阀、微型过滤器等组成水力控制接管系统,调定后,自动控制液面。遥控浮球阀直接利用液面控制,不需要其它装置和能源,保养简便,液面控制准确度高,不受水压影响,密封好。适用于高层建筑、生活区等供水管网系统的水塔、水池等设施的液面控制。
100X不锈钢遥控浮球阀工作原理:
当管道从进水端给水时,由于针阀、球阀、浮球阀是常开的,水通过微型过滤器、针阀、控制室、球阀、浮球阀进入水池,此时控制室不形成压力,主阀开启,水塔(池)供水。当水塔(池)的水面上升至设定高度时,浮球浮起关闭遥控浮球阀,控制室内水压升高,推动主阀关闭,供水停止。当水面下降时,遥控浮球阀重新开启,控制室水压下降,主阀再次开启继续供水,保持液面的设定高度。
100X不锈钢遥控浮球阀性能参数:
公称压(Mpa) | 壳体试验压力(MPa) | 密封试验压力(MPa) | 适用介质 | 介质温度(℃) |
1.0 | 1.5 | 1.1 | 水 | 0-80 |
1.6 | 2.4 | 1.76 | ||
2.5 | 3.75 | 2.75 |
100X不锈钢遥控浮球阀零部件材料:

零件名称 | 零件材料 |
阀体 阀盖 | WCB |
阀座 阀盘 | 铜合金 |
密封圈 O型圈 | 丁腈橡胶 |
阀杆 | 2Cr13 |
弹簧 | 50CrVA |
针型阀 | 铜合金 |
球阀 | 铜合金 |
浮球阀 | 铜合金 |
微型过滤器 | 不锈钢 |
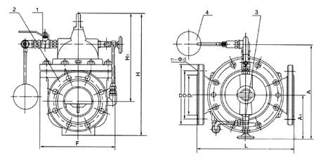
100X不锈钢遥控浮球阀连接尺寸: 
公称通径 | 尺 寸(mm) | |||||
DN(mm) | L | A1 | A | H1 | H | F |
20 | 150 | 130 | 325 | 179 | 212 | 116 |
25 | 160 | 130 | 325 | 179 | 212 | 116 |
32 | 180 | 130 | 325 | 179 | 212 | 116 |
40 | 200 | 140 | 335 | 210 | 265 | 168 |
50 | 203 | 140 | 335 | 210 | 265 | 168 |
65 | 215 | 140 | 335 | 215 | 310 | 180 |
80 | 241 | 145 | 345 | 245 | 350 | 210 |
100 | 270 | 155 | 365 | 305 | 460 | 284 |
125 | 300 | 165 | 385 | 365 | 520 | 310 |
150 | 330 | 180 | 410 | 415 | 570 | 370 |
200 | 400 | 205 | 465 | 510 | 840 | 463 |
250 | 480 | 225 | 505 | 560 | 890 | 525 |
300 | 550 | 245 | 545 | 658 | 1030 | 625 |
350 | 622 | 275 | 595 | 696 | 1090 | 705 |
400 | 685 | 285 | 625 | 735 | 1150 | 778 |
450 | 750 | 285 | 625 | 735 | 1150 | 778 |
500 | 811 | 410 | 780 | 750 | 1110 | 690 |
600 | 935 | 456 | 888 | 850 | 1286 | 785 |
100X遥控浮球阀安装示意图:
