发布时间:2023-06-26 08:27:43 来源:管理员 点击数:
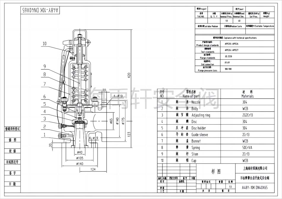
A48Y-10K 40X65日标安全阀主要用于石油、天然气、化工、电力、城市燃气等领域,作为超压保护装置,具有动作精度高,重复性好,回座准确,操作维护方便。也是青青草精品视频在线公司主导的一款全启式弹簧式安全阀,此款安全阀材料分为铸钢和不锈钢为主的精铸型安全阀。
上海青青草精品视频在线日标安全阀是严格执照JIS日本标准设计,制造和检检,具有造型美观,动作精度高,重复性好,回座准确,排量系数大,密封性能好,操作维护方便等优点。是石油、天然气、化工、化肥,电力、钢铁,冶金,制药,城市燃气等行业,是各种承压设备、容器、球罐和管线上的最佳超压保护装置,当介质压力升高超过允许值时,安全阀自动开启,继而全量排放,防止压力继续升高,当压力降低至规定值时,安全阀及时自动关闭,从而保护设备的安全运行。
日标安全阀技术规范
1.设计标准:JIS B2071
2.结构长度:JIS B2002
3.连接法兰:JIS B2212、B2214
4.试验与检验:JIS B2003
日标安全阀规格压力:
1.通径:15A~50A
2.压力:10K~20K
3.材质:F304 F316 F316L等。
下面由上海青青草精品视频在线泵阀有限公司技术部提供的A48Y-10K 40X65日标弹簧全启开放式安全阀详细材料,尺寸小样图纸供参考!
